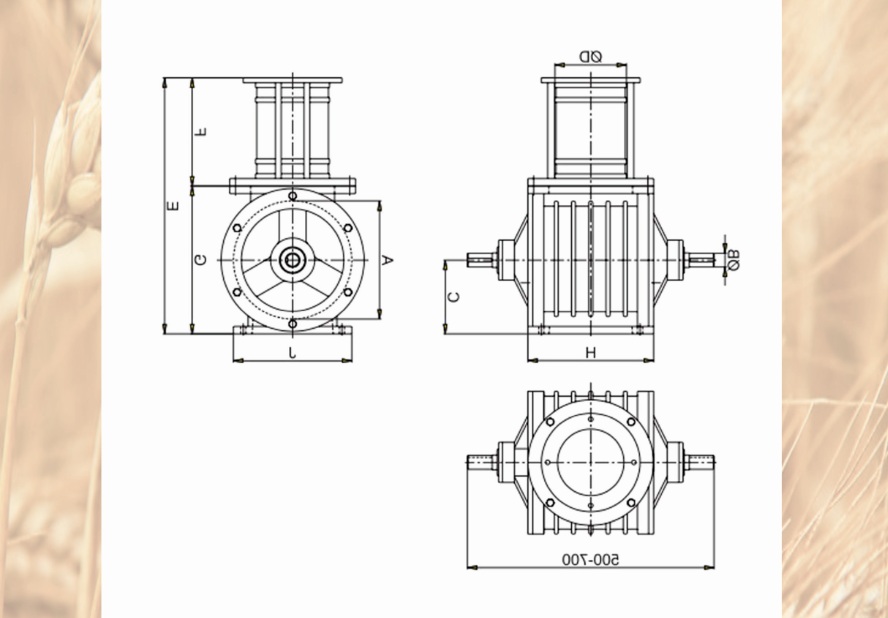
hava kilidi
-Pnömatik sistemlerde hava ile ürünün ayrıştırılmasın! sağlar. Sistemdeki hava kaybını minimum düzeyde tutar. Bizim ürettiğimiz hava kilidinin iç rotoru ve gövdesinin farklı alaşım ve madenlerle dökülmesi hava kilidinin aşınmaya karşı dayanıklı ve uzun ömürlü olmasını sağladığı gibi, hava kilidi dökümden çıktıktan sonra yaşlandırma ve gerilim giderme teknikleri kullanılarak, hava kilidinin kullanımı boyunca madeni yapısından kaynaklanan çalışmaların (şekil değişikliği) olması engellenmiştir. Değişik tonajlar ve kullanım yerlerine göre farklı modelleri İmal edilmektedir.

